Модуль підключення Ajax реле до кульового крана Neptun Bugatti, Profi 12В

499 ₴
Показати оптові ціни- Під замовлення
- Оптом і в роздріб
- Код: NEO_VALVE-12V
Відправка з 01 травня 2026- +380 (93) 641-96-70продажі (viber, telegram)
- +380 (95) 641-96-70продажі
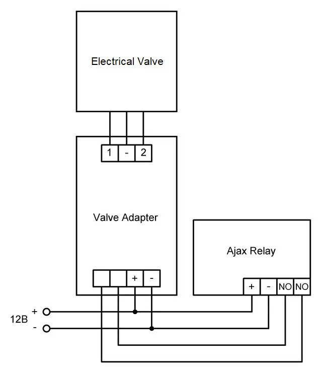
Пристрій Neo Valve Adapter, що представляє собою перехідник для підключення кульових кранів з живленням 12В до Ajax, Fibaro модулів реле або Implant. Просте підключення до потрійної клемі підключається кульовий кран, на клему 12В подається харчування, а решту 2 клеми підключаються до сухого контакту реле модуля. Для закриття крана необхідно замкнути 2 контакту (можливо інвертувати дію, тобто для відкриття необхідно замкнути контакти. Для цього необхідно поміняти місцями крайні висновки трехконтактной клеми).
- Розмір: 30х59х18 мм
Схеми підключення
Схема підключення адаптера 12В до Ajax Relay

Схема підключення адаптера 12В до Fibaro Implant

Схема підключення адаптера 12В до Fibaro Smart Module

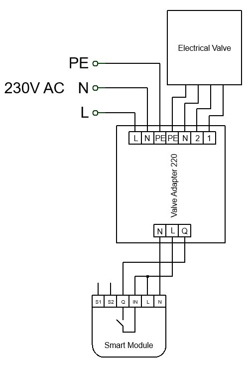
Схема підключення адаптера 220В до Smart Module

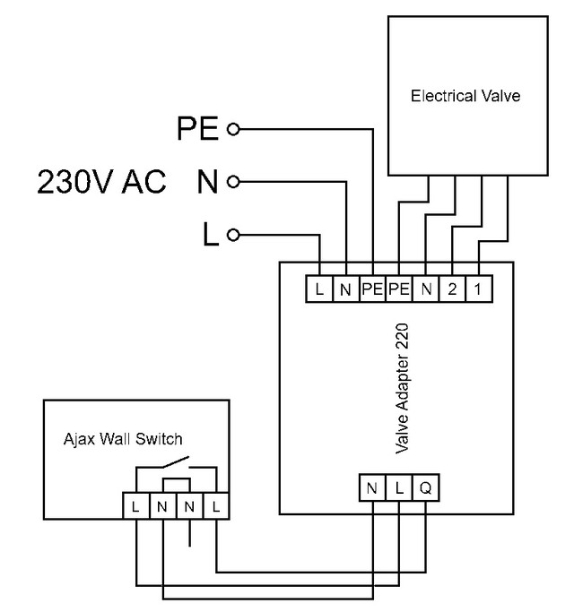
Схема підключення адаптера 220В до Ajax Wall Switch

| Основні атрибути | |
|---|---|
| Країна виробник | Україна |
| Технічні характеристики | |
| Напруга живлення | 12В |
- Ціна: 499 ₴


